-
Notifications
You must be signed in to change notification settings - Fork 0
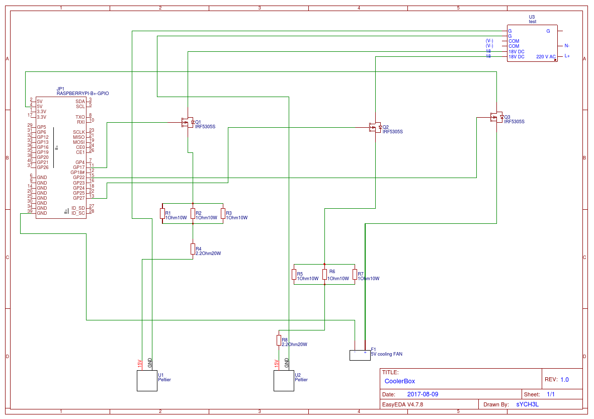
Electronics
Main Circut

Sense HAT
Use jumper cables to connect from senseHAT to Raspberry Pi
https://pinout.xyz/pinout/sense_hat
MOSFET Switch
Tip: Heat up the blade you're cutting with. It makes the cutting easier.
You can cut the holes wherever you desire.
First we cut holes for peltiers.
If mistakes are made in cutting you can use silicon to fix them.

We are gonna use nailing plates.
We put Peltier element between two nailing boards and put termopasta on both sides of Peltier.


Do the same actions for the both Peltier elements.
You can use wago connectors to connect the different elements to the Peltier like resistors or solder them together.
You have to make yourself a ground pin header since Raspberry Pi does not have enough ground pins.

- BCM 17 - Heating Peltier
- BCM 27 - Cold Peltier
- BCM 22 - Fan
Should look like this.
Then connect the required jumper cables to their respective counterparts on sense HAT.
Cut off the male part of the jumper cable. Attach it to the respective place on the switch.
For the 5V voltage, use Raspberry Pi 5V pin.
Connect the Control signal ground to ground header and signal to the respective pin at RPI.



You can use Tie Mounts to do some sort of cable management.










